Můžete se kdykoli odhlásit. Zasíláme maximálně jednou za 14 dní.
* Součástí stavebnic jsou všechny elektronické a konstrukční součástky jako reproduktory, osazené a zahořené výhybky, svorkovnice, basreflexové nátrubky, tlumící materiál, kabely, šrouby apod., s výjimkou "dřeva", tj. MDF desek pro konstrukci reproduktorových skříněk. Materiál a design si každý volí sám dle záměru. Návod na jejich stavbu je součástí dodávky.
Odkaz na stránky výrobce s uvedením vyjádření autorit:
- Úvod
- Reproduktory
- Visaton FR 77 - 8 Ohm
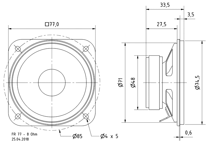
Visaton FR 77 - 8 Ohm
- Akce

- Kompletní specifikace
- Parametry
- Hodnocení 0
- Komentáře 0
Visaton FR 77 - 8 Ohm203 Kč/ ks168 Kč bez DPH
7,7 cm (3“ ) Širokopásmový reproduktor s vyváženou frekvenční odezvu a vysokou účinností. Obzvláště vhodný jako vestavěný reproduktor pro reprodukci řeči a hudby a jako měnič pro 100 V síťové sloupové reproduktory.
Odkaz na stránky výrobce:
https://www.visaton.de/de/produkte/chassis/breitband-systeme/fr-77-8-ohm








